(Baekjin Lim)
1
(Changsik Yoo)
1†
-
(Department of Electronic Engineering, Hanyang University, Seoul 04763, Korea)
Copyright © The Institute of Electronics and Information Engineers(IEIE)
Index Terms
Continuous-time linear equalizer(CTLE), offset cancellation, chopping, pulse width modulation(PWM), CMOS
I. INTRODUCTION
As the data rate of a serial link increases, it becomes more challenging to compensate
for the loss of channel which degrades received signal integrity. At receiver side,
continuous-time linear equalizer (CTLE) and/or decision feedback equalizer (DFE) are
employed to remove the inter-symbol interference (ISI) due to channel loss[1,2]. While DFE is effective in removing post-cursor ISI without amplifying noise, it
cannot remove pre-cursor ISI and the number of DFE taps may become excessive with
long-tail ISI. For this reason, CTLE usually precedes DFE to remove pre- and post-cursor
ISI with reasonable number of DFE taps.
The non-zero input offset of CTLE, however, reduces the eye-opening of following sampler
and thus the bit-error rate (BER) of clock and data recovery (CDR) circuit. The input
offset can be cancelled by extracting the DC component at the output of CTLE and subtract
it from its input[3]. The DC component can be extracted by a low-pass filter (LPF) whose bandwidth (BW)
should be low enough not to affect the received signal integrity. This BW requirement
easily results in very large values of resistance and capacitance, meaning large silicon
area. The input offset of CTLE appears as the difference between the peak signal levels
of differential CTLE output. Therefore, the input offset can be detected by a peak
detector without LPF occupying large area. A peak detector, however, has to operate
at full speed of serial data input and should have negligibly small input offset,
which may result in large power consumption[4]. The input offset can also be cancelled using sampled data in digital domain with
pre-defined training input pattern[5]. With this type of digital offset cancellation, a dynamically varying input offset
cannot be removed if without periodical offset cancellation. For offset cancellation
in digital domain without any pre-defined training pattern, edge and data samples
are used to see if the input offset of CTLE is positive or negative but different
input offsets of edge and data samplers cannot be cancelled[6].
This paper describes an input offset cancelled CTLE for a 12-Gb/s wireline receiver.
An offset canceller (OFC) extracts the DC component of the CTLE output and subtracts
it from the CTLE input. In order not to affect the received signal integrity, the
BW of the OFC is designed to be 10-kHz which is set by an active-RC integrator extracting
the DC component of the CTLE output. To realize the 10-kHz BW in a small silicon area,
the effective resistance of the active-RC integrator is increased by pulse width modulation
(PWM). The input offset of the OFC itself is removed by chopping. Section II describes
the architecture and circuit implementation of the offset cancelled CTLE. The experimental
results are given in Section III and finally the paper is concluded in Section IV.
II. ARCHITECTURE AND IMPLEMENTATION
The architecture of the 12-Gb/s wireline receiver with an input offset cancelled CTLE
is shown in Fig. 1. The channel loss is compensated by the combination of CTLE and three-tap DFE. The
phase of the sampling clock and the tap values of the DFE are controlled by the clock
and data recovery (CDR) and DFE adaptation logics. The OFC detects the DC component
at the CTLE output and feeds it back to the CTLE input where the input offset is subtracted.
Fig. 1. Architecture of a 12-Gb/s wireline receiver with offset cancelled continuous-time
linear equalizer (CTLE).
1. Continuous-time Linear Equalizer
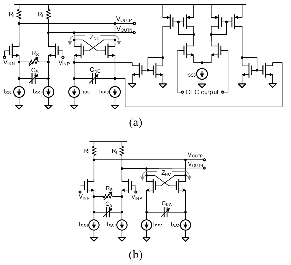
The CTLE has three stages of boosting amplifiers (BA) shown in Fig. 2. The cross-coupled nMOS transistors and the capacitor $C_{NC}$ (=0.1-pF) provide
negative resistance and capacitance at the output, which widens the BW without consuming
large power[7]. The differential impedance $Z_{NC}$ seen at the output is given as;
Fig. 2. Schematic of the boosting amplifiers (BA) of the CTLE with negative resistance
and capacitance (a) BA1 with the feedback input from the OFC, (b) BA2 and BA3.
where $g_{m,NC }$is the transconductance of the cross-coupled nMOS transistors. The
boosting gain can be controlled by varying the resistance $R_{S}$, the capacitance
$C_{S}$, and the bias current ratio $I_{SS1}$:$I_{SS2}$ as shown in Fig. 3. The sum of the two current sources $I_{SS1}$ and $I_{SS2}$ is 3.2-mA and $I_{SS3}$
is 0.6-mA. As can be seen in the figure, larger boosting gain can be achieved with
the negative resistance and capacitance. The resistor $R_{S}$ and the capacitor $C_{S}$
are realized as switchable resistor array and switchable capacitor array, respectively.
Fig. 3. Simulation frequency response of the boosting amplifier.
2. Offset Canceller
In order to cancel the offset of the three-stage CTLE, the DC component of the CTLE
output is extracted and fed back to the CTLE input by the OFC as shown in Fig. 1. Because the OFC itself can have non-zero input offset, the chopping amplifier (CHA)
is added at the OFC input. To minimize the unwanted amplification of the high frequency
component of the CTLE output, a passive LPF consisting of $R _{3}$ and $C _{3}$ with
13-MHz BW precedes the CHA. The CHA output is low pass filtered by $R _{2}$ and $C
_{2}$ to remove the up-converted input offset. The frequency of the chopping clock
CLKCHOP is chosen to be 10-MHz to have reasonably small values of $R _{2}$ and $C
_{2}$. The CHA is designed to have 100-MHz BW with the feed-forward path as shown
in Fig. 4(a)[8]. The DC gain of the CHA is smaller than 30-dB over all corners to prevent the output
saturation by its own input DC offset. The cut-off frequency of the LPF formed by
$R _{2}$ and $C _{2}$ is 500-kHz which is low enough to remove the up-converted DC
input offset.
Fig. 4. Schematics of the (a) chopping amplifier (CHA), (b) operational amplifier
(OPA).
The active-RC integrator consisting of the operational amplifier (OPA) shown in Fig. 4(b), $R _{1}$, and $C _{1}$ extracts the DC component of the CTLE output. The extracted
DC component is fed back to the first boosting amplifier BA1 shown in Fig. 2(a). Depending on the OFC output proportional to the DC component of the CTLE output,
the bias current $I_{SS3}$ is steered differentially to cancel the input offset of
the CTLE. The cut-off frequency of the low-pass filtering OFC loop is desired to be
10-kHz to avoid the baseline wandering. To realize the cut-off frequency of 10-kHz
with conventional active-RC integrator, the resistance and capacitance values have
to be very large, occupying large silicon area. To minimize the required silicon area,
the effective resistance of the resistor $R _{1}$ is increased by employing the pulse
width modulation (PWM) as shown in Fig. 1. The amount of charge transferred to the capacitor $C _{1}$ per clock cycle is controlled
by varying the duty cycle of the clock $CLK_{PWM}$. If the duty cycle of $CLK_{PWM}$
is 50-%, the effective resistance of $R _{1}$ is doubled. In this work, the duty cycle
of $CLK_{PWM}$ is set to be 1-%. By employing this PWM technique, the required values
of $R _{1}$ and $C _{1}$ to get the desired bandwidth of 10-kHz are reduced from 2.4-MΩ
and 7-pF to 240-kΩ and 0.7-pF, respectively and the required silicon area is reduced
by 25 times.
3. Sampler
The sampler shown in Fig. 5 has dynamic sense amplifier structure and has additional differential input pair
$V_{TAP}$ and $V_{TAPB}$ used for the cancellation of its own input offset. The input
offset cancellation of the sampler is performed before the wireline receiver begins
its normal operation. During the input offset cancellation of the sampler, the differential
data input $V_{INP}$ and $V_{INN}$ are shorted to their common-mode level. The sampler
output is monitored for long time to see its DC component. The differential level
of the input $V_{TAP}$ and $V_{TAPB}$ is controlled by a simple digital-to-analog
converter (DAC) till the sampler output has zero DC component.
III. EXPERIMENTAL RESULTS
The offset-cancelled CTLE is applied to a 12-Gb/s wireline receiver which is designed
to be compliant with the high-definition multimedia interface (HDMI) version 2.1.
The 12-Gb/s wireline receiver has four data channels which have separate receiver
data paths consisting of an offset-cancelled CTLE, DFE, and CDR. The chip microphotograph
of the four-channel 12-Gb/s wireline receiver implemented in a 28-nm CMOS technology
is shown in Fig. 6. The silicon area occupied by the OFC is 0.0015-mm2.
Fig. 6. Chip microphotograph.
Fig. 7(a) shows the eye diagram at the input of the CTLE when a pseudo-random binary sequence
(PRBS) 12-Gb/s input is applied through a channel with 17-dB loss at 6-GHz. The eye
is closed due to the ISI resulting from the channel loss and the CTLE re-opens it
as shown in Fig. 7(b) and Fig. 7(c). With the OFC disabled, the CTLE output has 45-mV offset as shown in Fig. 7(b), which reduces the sensitivity of the sampler. This offset is completely removed
if the OFC is enabled as shown in Fig. 7(c).
Fig. 7. Simulated eye diagram with 12-Gb/s PRBS input (a) at the CTLE input, (b) at
the CTLE output with the OFC disabled, (c) at the CTLE output with the OFC enabled.
Fig. 8 shows the measured bit-error rate (BER) when a PRBS 12-Gb/s input is applied through
a HDMI cable with 17-dB loss at 6-GHz. Even though the CTLE is operating, the BER
is always larger than 10-12 when the OFC is disabled. With the OFC enabled, the width of eye is larger than 0.26
unit-interval (UI) for the BER smaller than 10-12.
Fig. 8. Measured bit-error rate (BER) versus the sampling clock position.
The BER of the receiver is measured as a function of the differential input swing
as shown in Fig. 9. When the OFC is disabled, the BER is saturated to be 10-9 for the differential input swing larger than 120-mV. With the OFC enabled, the BER
becomes smaller than 10-12 for the differential input swing larger than 100-mV as shown in the figure.
Fig. 9. Measured input sensitivity of the receiver.
The offset-cancelled three-stage CTLE consumes 21-mW from a 1.0-V supply, meaning
7-mW per gain boosting zero. The performance of the offset-cancelled CTLE is summarized
and compared with other works in Table 1.
Table 1. Comparison with other works
|
|
[3][3]
|
[9][9]
|
[10][10]
|
[11][11]
|
[12][12]
|
This work
|
|
Technology
|
0.13-μm
|
0.13-μm
|
90-nm
|
90-nm
|
65-nm
|
28-nm
|
|
Equalizer type
|
CTLE
|
CTLE
|
CTLE
1-tap DFE
|
CTLE
1-tap DFE
|
CTLE
1-tap DFE
|
CTLE
|
|
Offset cancellation
|
O
|
X
|
X
|
X
|
X
|
O
|
|
Supply voltage [V]
|
1.2
|
1.5
|
1
|
1
|
1.2
|
1
|
|
Data rate [Gb/s]
|
10
|
20
|
19
|
20
|
20
|
12
|
|
Channel loss [dB]
|
21
|
15
|
11
|
24
|
22
|
17
|
|
Horizontal eye opening [UI] @ BER 10-12
|
-
|
-
|
0.09
|
0.36
|
-
|
0.26
|
|
Area [mm2]
|
0.16
|
0.2
|
0.02
|
0.09
|
0.1
|
0.012
|
|
Equalizer power consumption [mW]
|
25
|
60
|
38
|
40
|
37
|
21
|
IV. CONCLUSIONS
The offset of CTLE is cancelled by an analog offset-cancellation loop whose BW is
10-kHz. The effective resistance of the resistor determining the BW of the offset-cancellation
loop is increased by PWM technique. This allows the realization of the offset-cancellation
loop in a very small silicon area. A 12-Gb/s wireline receiver with the proposed offset-cancelled
CTLE has been implemented in a 28-nm CMOS technology. With the proposed offset cancellation
loop, the wireline receiver shows improved BER and input sensitivity.
ACKNOWLEDGMENTS
This work was supported by the National Research Foundation of Korea (NRF) grant funded
by the Korea government (MSIP) (NRF-2016R1D1A1B03930310). The CAD tools were provided
by the IC Design Education Center (IDEC), Korea.
REFERENCES
Gondi S., Razavi B., Aug. 2007, Equalization and clock and data recovery techniques
for 10-Gb/s CMOS serial-Link receivers, IEEE J. Solid-State Circuits, Vol. 42, No.
9, pp. 1999-2011

Payne R., Landman P., Bhakta B., et al , Dec. 2005, A 6.25-Gb/s binary transceiver
in 0.13-μm CMOS for serial data transmission across high loss legacy backplane channels,
IEEE J. Solid-State Circuits, Vol. 40, No. 12, pp. 2646-2657

Galal S., Razavi B., Dec. 2003, 10-Gb/s limiting amplifier and laser/modulator driver
in 0.18-μm CMOS technology, IEEE J. Solid-State Circuits, Vol. 38, No. 12, pp. 2138-2146

Crain E. A., Perrott M. H., Jan. 2006, A 3.125 Gb/s limit amplifier in CMOS with 42
dB gain and 1 μs offset compensation, IEEE J. Solid-State Circuits, Vol. 41, No. 2,
pp. 443-451

Jaussi J. E., Balamurugan G., Johnson D. R., et al , Jan. 2005, 8-Gb/s source-synchronous
I/O link with adaptive receiver equalization, offset cancellation, and clock de-skew,
IEEE J. Solid-State Circuits, Vol. 40, No. 1, pp. 80-88

Hidaka Y., Gai W., Horie T., et al , Dec. 2009, A 4-channel 1.25–10.3 Gb/s backplane
transceiver macro with 35 dB equalizer and sign-based zero-forcing adaptive control,
IEEE J. Solid-State Circuits, Vol. 44, No. 12, pp. 3547-3559

Lee D., Han J., Han G., et al , Aug. 2009, 10 Gbit/s 0.0065 mm2 6 mW analogue adaptive
equaliser utilising negative capacitance, IET Electron. Lett., Vol. 45, No. 17, pp.
863-865

Thandri B. K., Silva-Martinez J., Feb. 2009, A robust feedforward compensation scheme
for multistage operational transconductance amplifiers with no Miller capacitors,
IEEE J. Solid-State Circuits, Vol. 38, No. 2, pp. 237-243

Lee J., Aug. 2006., A 20-Gb/s adaptive equalizer in 0.13-μm CMOS technology, IEEE
J. Solid-State Circuits, Vol. 41, No. 9, pp. 2058-2066

Turker D. Z., Rylyakov A., Friedman D., Gowda S., Sanchez-Sinecio E., Jun. 2009, A
19 Gb/s 38 mW 1-tap speculative DFE receiver in 90 nm CMOS, Dig. Tech. Papers, IEEE
VLSI Circuits Symp., pp. 216-217

Ibrahim S., Razavi B., Jun. 2011, Low-power CMOS equalizer design for 20-Gb/s systems,
IEEE J. Solid-State Circuits, Vol. 46, No. 6, pp. 1321-1336

Ying Y. M., Liu S. I., Feb. 2011, A 20 Gb/s digitally adaptive equalizer/DFE with
blind sampling, Dig. Tech. Papers IEEE Int. Solid-State Circuits Conf., pp. 444-446

Author
received the B.S. degree in electronic engineering from Hanyang University, Seoul,
Korea, in 2013 and is currently working toward the Ph.D. degree at the same university.
His research interests include PLL/CDR and high-speed interface circuits.
received the B.S. (Honors), M.S., and Ph.D. degrees from Seoul National University,
Seoul, Korea, in 1992, 1994, and 1998, respectively, all in electronic engineering.
From 1998 to 1999, he was with the Integrated Systems Laboratory (IIS), Swiss Federal
Institute of Technology (ETH), Zurich, Switzerland, as a Research Staff.
From 1998 to 2002, he was with Samsung Electronics, Hwasung, Korea, as a Senior Engineer.
Since 2002, he has been a Professor of Hanyang University, Seoul, Korea.
His main research interest is the mixed-mode CMOS integrated circuit design.